眾所周知,家庭裝修中,人們對選材尤為看重。那么關系著家人的健康與安全的選材環節,我們到底該如何去判斷呢?今天,我們就為大家來普及一下現在涂料市場上主流的一些環保認證。
首先,中國有最基本的“中國國家標準”,向上一個level是"中國環境標志產品認證",簡稱"十環認證"。國產產品基本認準這兩個認證,產品的環保性將得到基本的保證。
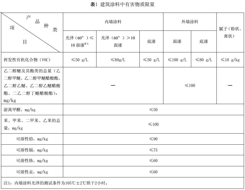
1.中國國家標準(GB18582-2008)

中國國家標準(GB18582-2008)又稱‘室內裝飾裝修材料內墻涂料中有害物質限量’,此標準規定了室內裝飾裝修用水性墻面涂料(包括面漆和底漆)和水性墻面膩子中對人體有害物質容許限量的要求、試驗方法、檢驗規則、包裝標志、涂裝安全及防護。此標準適用于各類室內裝飾裝修用水性墻面涂料和水性墻面膩子。
中國國家標準對于建筑涂料中有害物質限量如下所示:

2.中國環境標志產品認證(GB/T24024:2001)

中國環境標志產品認證是國內最權威的綠色產品、環保產品認證,又被稱作十環認證,代表官方對產品的質量和環保性能的認可,由環保部指定中環聯合(北京)認證中心(環保部環境認證中心)為唯一認證機構,通過文件審核、現場檢查、樣品檢測三個階段的多準則審核來確定產品是否可以達到國家環境保護標準的要求。
中國環境標志產品認證對于建筑涂料中有害物質限量如下所示:

以上是中國的環保標準,而歐盟發達國家對涂料產品有著嚴格的環保檢測標準,以及苛刻的市場準入制度。
"歐洲生態標志認證"就是最基本的認證,屬于硬性指標認證。而高一個level的就是各國推出的高級別環保認證,現在比較主流,倍受推崇的有法國“室內空氣排放標準A+認證”、德國“藍天使環保標志認證”以及芬蘭“M1認證”。
3.歐洲生態標志認證標準(C(2008)4453)

歐盟為降低日常用品對環境生態產生的影響,于1992年制定新的環保標章制度eco-label award scheme,并與2000年予以修訂,經由歐洲委員會及理事會通過EC1980/2000號法規,將產品范圍擴及所有消防產品以及服務業。以期通過該項標章之認證鼓勵生產者設計出具有更優環保理念的產品,并同時讓消費者認知其消費產品。
為鼓勵在歐洲地區生產及消費"綠色產品",歐盟于1992年出臺了生態標簽體系。因該標簽呈一朵綠色小花圖樣,獲得生態標簽的產品也常被稱為"貼花產品"。經過十年的發展,"貼花產品"已在歐洲市場上享有了很高的聲譽。
歐洲生態標志認證對于建筑涂料中有害物質限量如下所示:

4.室內空氣排放標準A+認證(ISO-16000)

"A+"是法國VOC標簽“Émissions dans l’air intérieur”(室內空氣排放標準)中環保等級最高的標志,也是歐洲環保等級最高的標志。法國VOC標簽是室內建材進入法國市場強制使用的環保標簽,是根據國際標準ISO-16000室內空氣的技術規定,模擬人們實際居住的室內環境,通過專業精密儀器持續28天檢測涂刷后空間內的空氣質量,根據空氣中總揮發性有機化合物濃度對產品評級,法國VOC標簽最高環保級別為A+,以下為A、B和C。
法規規定:從2012年1月1日開始上市的相關消費品必須帶有等級標簽。強制VOC標簽法規的產品包括:墻、涂料、天花板、地板覆蓋材料、 房間隔墻板、天花板吊頂、 室內絕緣隔熱產品、 門和窗,所有用來安裝上述產品的產品。其涵蓋面廣,檢測要求嚴苛復雜,項目眾多,歷時長久,故而代表了全歐洲的最高的標準。
室內空氣排放標準A+認證對于建筑涂料中有害物質限量如下表所示:

5.藍天使標志認證

德國的環境標志認證亦稱"藍天使"標志認證。德國藍天使標志隸屬于德國聯邦環保局、自然保護部和核安全部,由聯邦環保部門、質量和產品認證委員會(RAL)德國協會共同發起,所有受理產品和服務的技術標準均由獨立的環境標志委員會來決定,其認證主要通過文件審核依據標準的檢測報告和企業自我聲明的形式來進行。
藍天使認證標準對于建筑涂料中有害物質釋放限量如下圖所示:

6.芬蘭M1認證

芬蘭的M1認證對于產品的有毒物排放標準要求極其苛刻,分為三個等級,分別是M1、M2、M3.每級都選取不同的天然材料為標準同被檢測涂料相比較。最嚴格的M1標準(相當于室內玻璃氣味揮發的級別),達到了食品、制藥級標準。
芬蘭的M1認證對于建筑材料的有毒物排放標準如下所示:

看到這里,你是不是對環保指標還是一頭霧水呢?所以我們又總結了一份報告:

怎么樣?在看過我們整理的這份表格后,是不是有了清晰的認知?
以后你們選材料該選擇什么認證是否一目了然?
中國綠色環保產品標志有哪些圖片(中國綠色環保產品標志有哪些圖片和名稱)
一、中國環境標志產品有哪些?可認證產品分類包括:辦公設備、建材、家電、日用品、辦公用品、汽車、家具、紡織品、鞋類等。二、代表中國的標志圖片有……
1、中國環境標志(俗稱十環),圖形由中心的青山、綠水、太陽及周圍的十個環組成。圖形的中心結構表示人類賴以生存的環境,外圍的十個環緊密結合,環環……
【中國環境標志】共有96個產品認證種類,涉及建筑建材、紡織品、汽車、日化用品、電子產品、包裝制品等行業。【中國能效標識】強制實施 必須標注的產……
十環認證的產品種類和范圍:1:家用制冷器具:500L以下電機驅動壓縮式家用電冰箱2:無鉛車用汽油:點燃式內燃機的燃料3:再生紙制品:以廢紙生產的再……
中企認證咨詢網積累了豐富的國際質量認證工作經驗,各項業務均成果卓著。始終以服務國家經濟社會發展和提升人民生活品質為己任,依托產品認證(包括服務認證、自愿性認證)、管理體系認證和認證培訓業務,著力開展節能。在積極促進國際貿易,調整經濟結構,保護消費者安全健康,構建社會誠信體系,參與"兩型"社會建設等方面做出了積極貢獻。同時,自身獲得了跨越式發展,已成為業務門類全、服務網絡廣、工作手段新、技術力量強、人員素質高的一流認證機構,可以方便快捷地為世界各地的客戶提供高效、優質的"一站式"服務。中企認證咨詢網秉承"和諧、進取、責任"的理念,正在朝著建立社會公信力高,有較強創新能力、市場競爭能力和可持續發展能力,向業界有較高知名度的國際型認證機構的目標努力前行,優質的服務、雄厚的技術力量、先進的管理水平保障了中企認證咨詢網業務的順利開展,為順利實現中企認證咨詢網的質量目標、為認證機構的品牌提供了有力保障。
中企認證咨詢網專業從事ISO9001、ISO14001、OHSAS18001、IATF16949、ISO27001、ISO13485、ISO22000、HACCP、ISO20000、ISO45001、QC080000、GB/T50430、GB/T27922售后服務體系認證、GB/T29490知識產權管理體系、ISO37001、ISO50001、ISO22163、兩化融合體系、系統集成資質、十環認證、SMETA、SEDEX、BSCI、SA8000、FSC、ICTI、GSV、C-TPAT、WRAP、EICC、GMP、GMPC、ETI、BRC、驗廠咨詢、商務部信用等級、誠信信用等級、ISO體系、CE、3C、AAA等認證咨詢服務。認證價格實惠,證書真實有效,認監委可查,如有疑問,可點擊www.lxwynx.com了解詳情,竭誠為您服務!
本文內容整合網站:百度百科、搜狗百科、360百科、知乎、市場監督總局、國家認證認可監督管理委員會、質量認證中心
本文標題:各類環保認證標志普及,到底哪個認證權威?
本文地址:http://www.lxwynx.com/isos/202308/zs_6080.html






